Home
Shop
Services
Company
0
No products in the cart
The Dog Park Company Home
Shop
Play & Exercise Products
Play & Agility Series
Natural Play
Climb & Play
Interactive Play
Interactive Animals
Social Play
Dog Water Fountains
Water Fountains (SST)
Fresh Flow Water Fountains (SLV)
Pet Waste Stations
Benches
Cool Dog Splash Pool
Jump Dog
Dog Wash Tubs
Dog Park Fencing
Architectural Series Dog Wash Tubs
Shelter Strong
Cool Dog Turf
Dog Park Signage
Services
Dog Park Design
Design Planning Guide
Dog Park Development
Dog Park Landscape Contracting
Environmental Mission
Dog Park Financing
Land Donation
Dog Park Consulting
Architectural Resources
Company
About
Brands
Contractors
Event Center
Impact On Animals
Human-Pet-Grade
Cruelty Free
In The News
Paw Of Fame
Love You Ellie
Shelter Strong
Contact Us
My account
Account
Orders
Quote List
Quotes
Get Help
0 Items
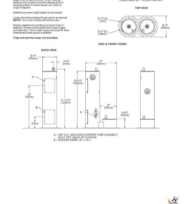
DL-1000-STE_SpecGuide3
by
Sarah Dunn
|
Oct 9, 2025
Filter by attribute
Filter by price
Filter by rating
0
No products in the cart